旁压仪及旁压试验的发展历程
摘 要:旁压仪是岩土工程勘察中的一种原位试验设备,其基本结构由压力施加和控制单元、体积形变测量单元及旁压探头等组成。用旁压仪进行的现场原位试验称之为旁压试验。旁压试验数据可用来确定地基土的原位水平应力、临塑压力和极限压力等土的力学参数,评价地基土的承载力等。国外的旁压仪及旁压试验起源于上世纪五十年代,我国在上世纪70年代末期开始研制旁压仪设备,80年代逐步开始旁压试验的实践、推广及工程实际应用。
关 键 词:旁压仪;旁压试验;发展历程
中图分类号:TU 443 文献标识码:A
Development Course of Pressurmenter and Pressurmeter test
Cheng Weifeng1, Cai Yongsheng2
( 1. Tianmu Instrument Plant of Liyang City,Liyang, Jiangsu,213333;2. Shanghai Geotechnical Investigation & Design Institute Co., Ltd, Shanghai,200032)
Abstract: Pressuremeter is a kind of in-situ testing equipment wildly used in geotechnical engineering investigation. The basic structure includes pressure and volume deformation measurement unit, control unit and the pressure probe. Field test with the instrument is called pressuremeter test. Pressuremeter test data can be used to determine parameters of the subsoil by critical plastic pressure and ultimate pressure, to evaluate the bearing capacity of foundation soil, etc. Pressuremeter and the pressuremeter test were originated in the 1950’s, whereas equipment development was begun in the late 1970’s in China, and test gradually popularized in 1980s along with practice of engineering application.
Key words: pressurmeter;pressurmeter test;development course
随着高层建筑、大型构筑及一些重大工程和基础建设的日益增多,在岩土工程勘察中,原位测试技术越来越多的得到重视并逐渐成为工程勘察中不可缺少的一种勘察手段,旁压试验就是其中之一。旁压试验作为一种原位测试方法,可以在不同深度的地层进行测试,提供地基土的相关的有效力学参数。旁压试验与其它如平板载荷试验、静力触探试验和十字板剪切试验等原位试验方法相比较,有其试验深度深、适应范围广等独特的优势。同时,旁压试验的机理研究和在工程中的实际应用也在近几十年来的发展过程中逐步得到提高和完善。因此,旁压试验越来越多地得到岩土工程界从事勘察、设计和科研部门的重视。本文对旁压仪设备及旁压试验的发展过程作一个简单的整理总结,旨为从事相关岩土工程勘察行业的人员对旁压仪及旁压试验有一个基本的了解。
1930年左右,德国工程师K?gler发明提出了一种装置,该装置是将一个长气囊置于两个金属圆盘之间,然后将气囊放入土体中,通过打气使气囊膨胀,向预先成孔的孔壁施压,并测量打入气囊的气体数量,以期得到土的原位应力分布情况。由于该装置的结构特征缺陷等因素,导致对试验结果的解释非常困难。如果把旁压仪定义为是一种通过弹性膜向土体孔壁施加横向压力(液压或气压)的装置的话,则K?gler的这种装置可以认为是旁压仪的雏形或史上第一台旁压仪。
1954年,法国土木工程专业学生L.Ménard(梅纳)经过近三年时间的研制和试验,于1957年由Ménard公司生产了三腔式旁压仪,由于其成果应用效果良好,在法国为顾问工程师们所应用。该旁压仪与K?gler提出的装置最大不同的是:Ménard旁压仪所使用的探头是将弹性膜套固定在一个刚性圆
筒体上,并将膜体分隔成三个腔室,中间的腔室称之为测量腔,上、下腔室称之为护腔。这种结构使得三个腔体受压后,中间测量腔的膨胀近似于仅有
径向膨胀,被测土体接近于平面应变的变形状态模式。另外,向探头测量腔注入的是水而不是气体,如此,在试验任何阶段只需测量出注入腔体的水量即可。这大大简化了旁压试验机理和成果的解释工作。当时的法国中央道桥试验所应用该设备在后续几年的时间内进行了几万次的旁压试验及对比验证,对旁压试验的应用范围、试验步骤规范化及试验成果的分析、应用作了大量的工作,开始了旁压试验的应用篇章。
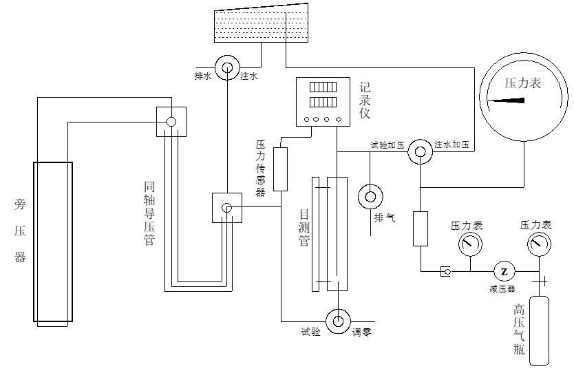
旁压仪基本上由加压稳压装置、变形测量系统和旁压器(旁压探头)三部分构成,其结构如图1所示。加压稳压通由高压储气瓶、精密调压阀、压力表及管路等组成。变形测量系统由不锈钢储水筒、目测管、位移和压力传感器、显示记录仪、精密压力表、同轴导压管及阀门等组成。旁压器是旁压试验的主要部件,整体呈圆柱形状,内部为中空的优质铜管,外层为特殊的弹性膜。旁压器从结构上区分有三腔式和单腔式两种,根据旁压器的结构和置入土体中的方式不同,从应用功能上区分又可分为预钻式、自钻式和压入式三种旁压仪。

图1 旁压仪系统示意图
预钻式旁压仪(Pressuremeter)通常简称为PM, 用该种仪器进行的试验称为预钻式旁压试验,通常称之为旁压试验(Pressuremeter Test),也有叫为横压试验,简称PMT。在前面未加“自钻”两字时,习惯上系指预钻式旁压仪和预钻式旁压试验。预钻式旁压仪设备中的探头是在一个中空的圆柱刚性筒外层上装有弹性膜,并使刚性筒体与弹性膜套之间组成一个可向外扩张的密闭空间,即旁压器测量腔。当向该腔注入带有压力的液体(水或油)后,测量腔膨胀传递压力至土壁进行旁压试验。用这种结构形式的旁压探头所进行试验,需用钻机或其它方式预先成孔,然后再将探头放至试验位置进行。在岩土工程勘察中,通过预钻式旁压试验的应力—应变曲线,确定初始压力、临塑压力、极限压力,可获得旁压模量等旁压试验特征值,评定地基土承载力。预钻式旁压仪的结构、操作等较之为简单、适应地层广泛、对比验证及试验成果的应用较为成熟,是目前最为常用的旁压设备。
自钻式旁压仪(Self-boring Pressuremeter)的特征是:在其旁压探头的底端部安装有切削器,在地面通过液压动力传输管路或回旋钻杆带动切削器转动切削土体,所切削的土屑用泥浆带回地面,从而把钻孔工序与旁压探头放置到试验位置合并成一道工序。自钻式旁压仪及试验的最大特殊意义是在于很大程度上消除了预钻式旁压试验时的成孔质量不稳定的问题,使被测土体能更接近于不受扰动和没有释放应力的原始状态,从而使其试验成果更为精确可靠。自钻式旁压试验除了可得到预钻式旁压试验的特征值外,还可测求土的原位水平应力、静止侧压力系数、不排水抗剪强度等参数。但由于自钻式旁压仪的结构较为复杂,操作难度大且使用成本较高等因素,所以在国内应用的较少。
压入式旁压仪是用静力将旁压探头压入土中后再进行试验的设备,其旁压探头有圆锥式和圆筒式(开缝管式)两种。这种试验方式在旁压探头被压入过程中对周围土壁有着较大的挤压效应,从而对试验成果造成的影响不易估算,因此这种方式几乎不用。
自上世纪五十年代初期梅纳旁压仪出现之后,世界各地相关领域的学者也陆续展开了旁压仪的研制工作,推动了旁压仪的发展。
在梅纳预钻式旁压仪得到试验应用以后,根据当时预钻式旁压试验中的一些缺陷和不足,法国道桥试验部门(Saine Brieuc)从1966年起开始自钻式旁压仪(法语Le Pression meter Autoforeur,简称PAF)的研制,共经历了3代,依次有第一代用手摇钻(或钻机)带动旋转切削器钻进的PAF-68型(1966-1971年)、第二代用安装在旁压器上端的液压马达带动切削器钻进的PAF-72型(1972-1976年)以及第三代在旁压器底部安装马达带动切削器钻进的PAF-76型等。PAF型旁压仪的旁压器有单腔式和三腔式两种形式,其测量腔内都是注入水。与法国PAF-72研制的同时,英国的休斯(Hughes)和Worth等人于1973年研制了一种新型的自钻式旁压仪,采用旋转钻杆带动探头底端的切削器转动。它的特点是其旁压探头采用单腔式结构,变形量是依靠安装在探头上的电阻式应变传感器量测,并在探头上安装有孔隙水压力计,探头腔体注入的是气体而不是液体。后来英国剑桥的岩土工程技术服务公司对这种仪器赋予了一个新的名称Camkometer,实际上是“剑桥式K0值试验仪”的组合词,即Cambridge- K0-meter,依此来突显该仪器可用于求测K0的特性。另外,在上个世纪60年代之后,日本OYO公司研制了单腔、水压式的LTL型预钻式旁压仪和采用多级活塞千斤顶加压KKT型旁压仪,加拿大Rocktest公司生产的TEXAM型的单腔预钻式旁压仪等。当前,国外生产的旁压仪设备是以PAF型和Camkometer两种仪器为自钻式旁压仪的代表产品。Menard Pressuremeter和TEXAM Pressuremeter为预钻式旁压仪的代表产品。
为满足长大、深埋隧道道结构设计的需要,国外非常注重能适应软岩、硬岩应力-应变特性测试的高压、超高压旁压试验仪器的开发和利用。日本电力中央研究所研发了一种岩石自钻式旁压仪,最大压力达39.2MPa,深度达95m。为测试核电深埋岩体的变形参数,日本与美国联合开发了超高压旁压仪,已在深度大于1km、压力超过100MPa的岩体中成功的进行了试验,但限于技术保密和商业秘密而未公开研究成果。
此外,在旁压仪的研发过程中亦出现了一些多功能探头。20世纪80年代初,剑桥公司和加拿大英属哥伦比亚大学在旁压器前方安装与旁压器外径(旁压器装有条形钢片护套)同径的静力触探头,研制出了旁压静力触探仪,也称为全变形静力触探旁压仪。90年代末,日本九州大学前田良刀和九州共立大学落合英俊等人开发了原位剪切旁压联合试验机,能同时测出界面的摩擦力和变形模量等力学参数。
(1)预钻式旁压仪
我国最早进行旁压仪的研制是在1963年左右,由中国建筑科学研究院地基所黄熙龄等人进行,后由于历史等原因而中断。直至到1980年前后,国内分别有原建设部综合勘察院王钟琦、徐正鹤等,原中国兵器工业部勘察研究院张家驹、严金森、齐英武等,原常州市建筑设计院邹联升和原溧阳县轻工机械厂程伟峰、张鼎鹤等人分别开展了国产旁压仪的研制工作。由常州和溧阳联合研制的PY型预钻式旁压仪于1980年通过了原国家建工总局组织的产品鉴定,并于此逐步进入工程勘察应用,为旁压试验这一原位测试技术在我国岩土工程勘察中得以应用奠定了基础。在2001年,由溧阳市天目仪器厂设计生产的PM型预钻式旁压仪,应用传感器等电子技术,使国产旁压仪实现了试验数据的电子化自动采集、记录储存等功能,提高了试验精度,减低了劳动强度和人为误差,试验压力也由当时国产旁压仪的2.5MPa提高到6.0MPa左右。该产品在2002年通过了由江苏省科技厅组织的现场鉴定,并得到国内诸多勘察大师和专家们的充分认可。现成熟的PM型旁压仪是目前国内岩土工程勘察中常用的旁压试验仪器设备。
(2)自钻式旁压仪
在上个世纪80年代初,我国有关单位也进行了自钻式旁压仪的研制,其中有城乡建设环境保护部综合勘察院王钟琦等人在1982年研制成的MIM-1型单腔气压应变控制式自钻旁压仪,上海华东电力设计院俞灿明、张剑锋等人在1983年研制成的华电-I型三腔液压式自钻旁压仪。针对国内目前的勘察技术,中国地质大学(武汉)徐光黎、张晓伦(2007)联合溧阳市天目仪器厂程伟峰等人在国内旁压仪的基础上,研制出了自钻式原位剪切旁压仪,并着重研究了自钻式钻进技术以及复合加载条件下的测试机理。
在旁压试验中,虽然自钻式旁压试验是比预钻式旁压试验有着更接近地基土原始应力状态条件下的原位测试方法,并且可能更可靠地测得地基土的原位水平压力系数、静止侧压力系数、不排水抗剪强度等参数,但自钻式旁压仪由于受到其结构较为复杂、操作难度大、使用成本较高且适应土层范围较窄等因素的影响,在国内的实际工程中应用较少。由此,与拥有丰富的试验对比验证、工程实际应用成果的预钻式旁压试验相比,自钻式旁压试验显得有些苍白,从而限制自钻式旁压仪及旁压试验的普及和发展。
自在上世纪80年代初期国产旁压仪产品化后,我国旁压试验应用进入了一个较广较快的发展时期,当时由中国建筑学会工程勘察分会组织,在江苏溧阳举办了多次全国性的原位测试技术与旁压试验技术培训班和学术交流会,并于1986年在溧阳设立了“中国建筑学会工程勘察分会旁压测试技术开发部”(1988年更名为“原位测试中心”),旨在推动旁压试验和原位试验技术的应用和发展。同时,国内各地区的勘察情报网站也多次举办地区性的旁压试验技术学术交流会和推广会,为我国的旁压试验及其成果应用积累了较为丰富的地区经验。城乡建设、水电、铁道和兵器工业部等,均先后分别制定了旁压试验规程,使旁压试验在各行、各类工程得到实际应用。特别是在1990年,上海勘察院顾国荣、陈晖等人在上海金茂大厦特大工程的地基勘察中,用国产旁压仪进行了深达138米的旁压试验,并取得了较好的试验成果,开辟了用旁压试验指标评定上海地区超高层建筑地基的先例。可以说,上世纪80年代是我国旁压试验技术开始、推广、应用、普及、提高和兴起的十年。
自旁压仪问世以后,国内、外诸多学者和岩土工程师们结合旁压试验的实测结果对旁压试验机理等进行了大量的研究工作,其中包括弹性孔穴理论、弹塑性理论求解无体积变化问题、塑性区有压缩体变时弹塑性问题求解、等容剪切理论及其它反推土体工程性质参数的理论研究。在大多数的理论研究中,一般利用弹性或理想弹塑性的孔穴扩张理论对旁压试验的机理进行解释。
L.Ménard(1957年)和Casson(1960)[1]等人利用弹塑性理论来求解假设被测土体无体积变化状态下的旁压试验问题。Gibson和Anderson(1961)[2]首次利用孔扩张理论从旁压试验结果推求土体工程参数,假设土体为理想弹塑性Tresca材料,采用总应力公式,利用孔扩张理论得到塑性加载阶段理论上的压力扩张曲线。Vesic(1973)[3]提出了塑性区有体变时弹塑性问题的解法,但他的理论只适用于压缩体变时的情况。Prevost等(1975)[4]将粘土的应力应变行为用双曲线方程描述,忽略弹性变形,得到孔扩张曲线的封闭形式解。Wroth和Windle(1975)[5]等人对土体有体积变化状态下的粗粒土中的应力应变以及对它们的计算方法进行了探讨。Baguelin等(1978)[6]结合自钻式旁压试验仪的应用,提出了无体积变化的等容剪切理论,对由于扰动环带的存在对孔周应力场和应变场所产生的影响作出了估价,并对旁压探头周围土体中的膨胀效应作了详细的分析。法国弗·巴居兰和耶·弗·杰塞格尔等(1978)[7]对旁压试验的机理、应用等作了全面的探讨研究和阐述。Collins(1996)[8]首次利用几种临界状态模型,包括剑桥黏土模型、修正剑桥模型和剑桥黏土-伏斯列夫屈服面的组合模型等,给出了正常固结土和超固结黏土中不排水圆孔扩张大应变解析解,可用于自钻孔旁压试验的分析中。Russen和Kalili(2006)[9]针对非饱和土多孔介质,给出了非饱和土体孔扩张问题的控制偏微分方程和求解步骤,对非饱和土中旁压试验的机理解释具有重要的意义。

图2 孔穴扩展模型
我国岩土工程界和有关科研部门的前辈及专家们对旁压试验的机理、应用等也进行了很多的研究及探讨。黄熙龄等人(1964)[10]提出由塑性区、弹性区和不可压缩区组成的力学模式,并在此基础上推导了土的变形模量公式,再和载荷板试验的结果对比后回归求出旁压系数。刘祖德(1983)[11]对在塑性区体变和断裂机理提出了不少新的见解,并在理论上作了详细的分析和验证。张国霞等(1983)[12]提出了对旁压试验过程中随着压力增大,土体变形可分为可张、张裂、压剪和流塑四种状态的模式,并通过试验作了验证。张在明(1983)[13]结合考虑土体剪切变形引起的沉降和土的应力-应变的非线性反应,研究并提出了用旁压试验结果估算地基土载荷试验沉降量的计算方法,为直接利用旁压试验结果估算建筑物的沉降打下了基础。赵善锐(1985)[14]等应用旁压试验的等容剪切原理来推求孔周土的应力应变状态,并对旁压试验的原理、旁压试验特征值的特性及关系、旁压试验成果的工程应用和计算等作了全面、详细的研究总结和阐述[15]。林在贯等(1986)[16]用旁压试验对黄土的比例极限和变形模量等进行了测定和探讨。李广信(1986)[17]提出了用旁压试验求Duncan双曲线模型参数的方法和见解。王长科等(1990,1992)[18, 19]对预钻式旁压仪的试验应力分析、试验机理、旁压模量等做了较多的研究探讨和验证。赵善锐与楚华栋(1993)[20]分析了砂性土地基变形模量和旁压测试结果Em/pl之间的关系,提出了α=f(Em/pl)两个连续渐变的关系式。张新兵与姜前(1995)[21]采用K-G模型,以有限元计算为手段,研究成层土的旁压特性,评价分层土对旁压试验结果的影响。顾国荣与陈晖(1996)[22]通过对一些已完成的工程中采用旁压试验成果确定其地基土承载力、估算单桩极限承载力和基础沉降量等作了对比分析和研究。喻文兵等(2002)[23]在青藏高原多年冻土中进行了预钻式旁压试验研究。马怀发等(2005)[24]提出了基于一种旁压试验结果的土体本构参数反分析的有限元方法。宋章等(2008)[25]对采用旁压试验来确定黄土地基反力及变形模量的方法进行了相关的研究。曹权等(2009)[26] 基于自钻式旁压试验对黏性土中孔隙水压力的变化进行了研究。鲁辉等(2012)[27]针对旁压试验在砂卵石地层中应用存在的问题提出了一些改进。李均山与郭宇(2013)[28]将旁压试验应用于某高速公路隧道部分不同风化程度的花岗岩参数的测定,与标贯试验成果具有较好的相关性。除上所述之外,尚有许多专家、学者对旁压试验做过精心的研究工作,为旁压试验的应用发展作出了重要的贡献
当前在国内可见的有关旁压仪的专著有1978年版法国弗·巴居兰等所著我国卢世深等1984年的译本《旁压仪和基础工程》,我国赵善锐于1987年所著出版的《旁压试验及其工程应用》。在这两本专著中,都对旁压仪及旁压试验的应用作了全面、详情、深入的分析和阐述,对旁压试验技术得以广泛应用其起到了巨大的引领和指导作用。
根据旁压试验曲线(如图3),可以用以计算地基承载力与旁压模量等。
(1)地基承载力
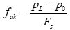
可采用临塑荷载法和极限荷载法确定地基承载力:
临塑荷载法:
(1)
极限荷载法:
(2)
式中:
为地基土承载力特征值;
为临塑压力;
为极限压力;
为安全系数,一般取2~3,可按地区经验取值。

图3 旁压试验曲线示意图
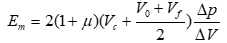
(2)旁压模量
根据旁压曲线直线段压力与体积的变化关系,可以计算旁压模量:
(3)
式中:
为旁压模量;
为泊松比;
为旁压器量测腔初始固有体积;
、
分别为初始压力与临塑压力对应的体积;
、
分别为旁压曲线直线段压力与体积的变化值。
除此之外,基于大量的旁压数据分析研究,不同研究人员亦给出了基于旁压变形参数估算地基变形模量与压缩模量的经验公式。
对自钻式旁压试验,还可测求原位水平应力、静止侧压力系数、不排水抗剪强度等。
自旁压仪问世至今已有60余年的历史,旁压试验已成为岩土工程勘察中的一种较为成熟的原位测试方法,国外许多发达国家的岩土工程师和设计顾问常将旁压试验作为首选的勘察手段之一。当前,在我国的一些重大工程、特大桥梁以及一些重要基础设施建设的地基勘察中,通常也少不了旁压试验。然而,由于近年来旁压仪设备本身的技术性能提升不足,同时缺少对旁压试验成果应用等有更进一步深入探讨和研究,所以使得旁压试验技术仍几乎停留在十多年前的水平上,没有能得到像国外一些发达国家的那样普及应用。但相信,随着诸多土木工程专家及岩土工程师们不懈的努力,旁压试验这一具有独特功能的岩土原位试验技术将会继续发展,得到更广泛的应用。
作者简介: 程伟峰(1957-),男(汉族),江苏溧阳人,高级工程师 从事岩土工程相关工作多年,联系方式:tmyq001@sina.com)
参 考 文 献
[1] M.Cassan: Methode presiometrique d,etude de sole,Revue de L'ingenieur CXonstrucyeur Paris,France,Mai.1960.
[2] Gibson, R.E., and Anderson W.F. In situ measurement of soil ProPerties with the Pressuremeter [J]. Civil Engineering Public Works Review, 1961,56:615-618.
[3] Vesic, A.S. Expansion of cavities in infinite soil mass [J]. Primary Care, 1973, 33(1):75–91.
[4] Prevost J H, Hoeg K. Analysis of Pressuremeter in strain softening soil [J]. Journal of Geotechnical Engineering Division, ASCE, 1975, 101:717-732.
[5] C.P.Wroth et al. Analysis of volume change, Tech.note. Geotechnique, Vol. 25,no.3 September 1957
[6] Ladanyi, B. The pressuremeter and foundation engineering [J]. Trans Tech Public, 1978, 17(s 1–2):67–69..
[7] 弗·巴居兰. 旁压试验和基础工程[M]. 卢世琛译. 北京: 人民交通出版社, 1984.
[8] Collins, I.F., and Yu, H.F. Undrained cavity expansion in critical state soil [J]. International Journal for Numerical and Analytical Methods in Geomechanics, 1996, 20(7): 489-516.
[9] Russell, A.R., and Khalili, N. On the problem of cavity expansion in unsaturated soils [J]. Computational Mechanics, 2006, 37(4): 311-330.
[10] 黄熙龄等.旁压试验及粘性土变形模量的测定[C].中国土木工程学会第一届土力学及基础工程学术会议论文选集, 1964.
[11] 刘祖德. 论预钻式横压试验的机理分析[C].中国土木工程学会土力学及基础工程学术会议论文选集, 1983.
[12] 张国霞, 张乃瑞, 张风林. 旁压机理的实验和分析[C].中国土木工程学会土力学及基础工程学术会议论文选集. 1983.
[13] 张在明.依据旁压试验结果估算地基土载荷试验沉降量[J].土木工程学报, 1983(2).
[14] 赵善锐.旁压试验的等容剪切原理—推求孔周土的应力应变状态[J].勘察科学技术, 1985(2).
[15] 赵善锐.旁压试验及其工程应用.成都:西南交通大学出版社, 1987.
[16] 林在贯,李玉昌,任剑青.用旁压试验测定黄土的比例界限压力和变形模量[J].勘察科学技术, 1986(2).
[17] 李广信.用旁压试验求Duncan双曲线模型的参数[J]. 勘察科学技术, 1986(5).
[18] 王长科.旁压试验P0值物理含义及其求法的研究[J]. 工程勘察, 1990(3):10-14.
[19] 玉长科,章家驹.旁压试验孔壁剪应力的通解[J]. 工程勘察, 1992(3):11-13.
[20] 赵善锐,楚华栋.用旁压剪切模量推算砂性土地基的变形模量[J]. 西南交通大学学报, 1993, 28(03):10-14.
[21] 张新兵,姜前.用有限元方法分析旁压试验特征值[J]. 铁道科学与工程学报, 1995(4):17-24..
[22] 顾国荣,陈晖.旁压试验成果应用[J].上海国土资源, 1996, 17(4):20-30.
[23] Yu, W.B., Zhu, Y.L., and Zhang J.M., et al. Study on the Borehole Pressuremeter Test in Permafrost on the Qinghai-Tibet Plateau[J]. Journal of Glaciolgy & Geocryology, 2002, 24(3):287-291.
[24] 马怀发,孔俐丽,侯淑媛,等. 基于旁压试验反分析土体本构参数的有限元方法[J]. 水利水电技术, 2005, 36(6):58-60.
[25] 宋章,文华,孟凡超.基于旁压试验的黄土地基反力及变形模量确定[J]. 路基工程, 2008(1):131-133.
[26] 曹权,柴寿喜,施建勇,等. 基于自钻式旁压试验的黏性土孔压变化研究[J].长江科学院院报, 2009, 26(7):29-32.
[27] 鲁辉, 杨红云, 张腾. 旁压试验在砂卵石地层中的应用及改进[J]. 河南水利与南水北调, 2012(20):72-73.
[28] 李均山, 郭宇. 福建某高速公路隧道强风化花岗岩的旁压试验[J]. 煤田地质与勘探, 2013(3):51-54.